
0 VNĐ
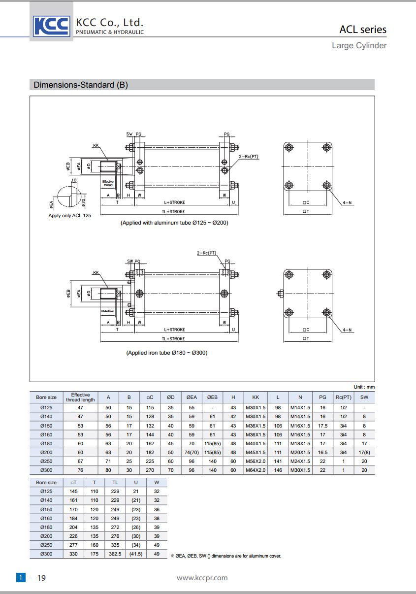
Xi Lanh Khí Nén Vuông Lớn KCC Hàn Quốc Ø125 - ACL-N B125 | Hành Trình Dài - Lực Mạnh.Dòng ACL-N B125 (Large Cylinder, single rod, có nam châm) lý tưởng cho máy ép lớn, nâng hạ nặng, dây chuyền công nghiệp nặng
Mô tả: Anh chị cần xylanh khí nén vuông chính hãng KCC Hàn Quốc size lớn, lực đẩy mạnh?
Dòng ACL-N B125 (Large Cylinder, single rod, có nam châm) lý tưởng cho máy ép lớn, nâng hạ nặng, dây chuyền công nghiệp nặng.
✅ Thông số kỹ thuật chính:
Hành trình phổ biến: 50, 100, 125, 150, 200, 250, 300, 400, 500, 550, 600, 700 mm
Model phổ biến: ACL-N B125-S50, ACL-N B125-S100, ACL-N B125-S125, ACL-N B125-S150, ACL-N B125-S200, ACL-N B125-S250, ACL-N B125-S300, ACL-N B125-S400, ACL-N B125-S500, ACL-N B125-S550, ACL-N B125-S600, ACL-N B125-S700
Đế & Phụ kiện tương thích:




LIÊN HỆ ĐỂ ĐƯỢC TƯ VẤN MIỄN PHÍ :
0902 747 188 - 0938 616 002 : kd.hoaiduc@gmail.com
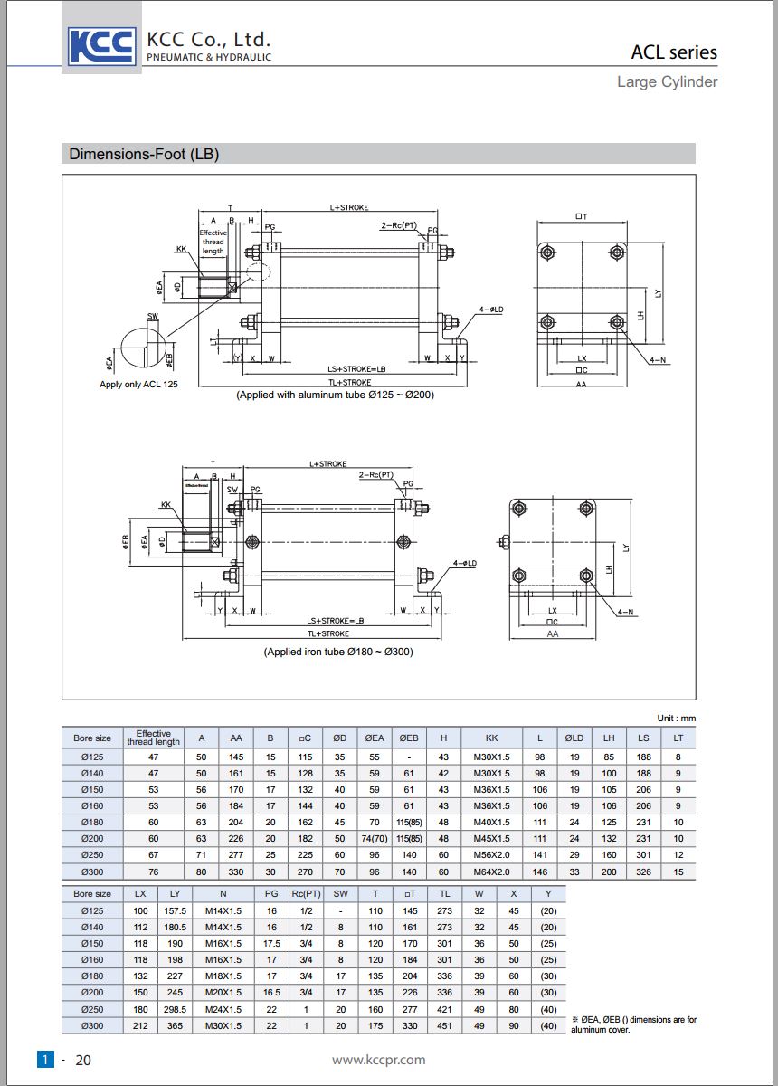
Xi Lanh Khí Nén Vuông Lớn KCC Ø180 - ACL-N B180 | Công Suất Lớn. ACL-N B180 – Dùng cho ứng dụng đòi hỏi công suất cao như máy dập lớn, thiết bị nâng hạ nặng.
Xi Lanh Vuông Lớn KCC Hàn Quốc Ø160 - ACL-N B160 | Lực Mạnh - Độ Bền Cao. ACL-N B160 – Cushion tốt, độ bền cao, phù hợp máy công nghiệp nặng và dây chuyền lớn.
Xi Lanh Khí Nén Vuông Lớn KCC ACL-N B150 - Chính Hãng Hàn Quốc.ACL-N B150 – Size rất phổ biến trong dòng large cylinder, lực mạnh, dùng cho máy ép, nâng hạ tải nặng
Xi Lanh Khí Nén Vuông Lớn KCC Hàn Quốc Ø125 - ACL-N B125 | Hành Trình Dài - Lực Mạnh.Dòng ACL-N B125 (Large Cylinder, single rod, có nam châm) lý tưởng cho máy ép lớn, nâng hạ nặng, dây chuyền công nghiệp nặng
Xi Lanh Vuông KCC ACM-NB100 Ø100mm - Lực Đẩy Siêu Mạnh. ACM-NB100 – Size lớn nhất, dành cho công nghiệp nặng
Xi Lanh Khí Nén Vuông KCC Ø80 - ACM-NB80 | Công Suất Lớn. ACM-NB80 – Dùng cho máy dập, máy ép, nâng hạ tải trung bình
Xi Lanh Vuông KCC Hàn Quốc Ø63 - ACM-NB63 | Lực Mạnh - Độ Bền Cao. ACM-NB63 – Lực đẩy mạnh, cushion tốt, phù hợp dây chuyền sản xuất.
Xi Lanh Khí Nén Vuông KCC ACM-NB50 Ø50mm - Chính Hãng Hàn Quốc. ACM-NB50 – Size trung bình bán chạy nhất, lực đẩy ổn định, dùng cho máy đóng gói, máy ép nhỏ.
Dòng ACM-NB40 (xi lanh đế vuông, single rod, có nam châm) lý tưởng cho máy tự động hóa nhẹ, băng chuyền, thiết bị đóng gói nhỏ.