
0 VNĐ
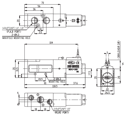
Dòng van điện từ RDS3000 của TPC (5/2 way Pilot-type Solenoid Valve) là dòng van điện từ 5 cổng rất phổ biến và thông dụng nhất tại Việt Nam hiện nay
Dòng van điện từ RDS3000 của TPC (5/2 way Pilot-type Solenoid Valve) là dòng van điện từ 5 cổng rất phổ biến và thông dụng nhất tại Việt Nam hiện nay. Đây là dòng nâng cấp từ DS3000, với thiết kế chắc chắn, lưu lượng lớn, dễ lắp manifold, phù hợp cho xi lanh khí nén, máy đóng gói, dây chuyền tự động hóa, robot gắp đặt…
RDS [3/5] [1/2] [3/4] 0 - [Coil code] - [Port]
Ví dụ:
(Có sẵn kho rất nhiều tại TP.HCM và Hà Nội)
1. Single Solenoid (1 coil) – RDS31xx
2. Double Solenoid (2 coil) – RDS32xx
Model cỡ lớn hơn (RDS5xxx nếu cần lưu lượng cao):
| Tiêu chí | RDS3000 | DV Series |
|---|---|---|
| Kích thước | Trung bình, chắc chắn | Nhỏ gọn hơn |
| Lưu lượng | Lớn hơn | Trung bình |
| Port phổ biến | 1/4" ~ 3/8" | 1/8" ~ 1/4" |
| Độ bền | Cao (dùng dây chuyền dài hạn) | Tốt cho máy nhỏ |
| Giá | Trung bình | Thấp hơn |
| Manifold | Dễ ghép (DSM3) | Có nhưng ít dùng |





LIÊN HỆ ĐỂ ĐƯỢC TƯ VẤN MIỄN PHÍ :
0902 747 188 - 0938 616 002 : kd.hoaiduc@gmail.com
Series DV (DV1000 / DV3000 / DV4000) – Nhỏ gọn, phổ biến cho ứng dụng nhẹ-trung bình
Dòng van điện từ 2/2 DW của TPC (2 Port Solenoid Valve) là dòng van 2 cổng 2 vị trí (2/2 way) chuyên dùng để ngắt/mở dòng chảy cho khí nén, nước, dầu và một số chất lỏng khác
Dòng van điện từ RDS5000 của TPC (Rubber Seal 5-Port Pilot Solenoid Valve) là dòng van khí nén cỡ trung-lớn, lưu lượng cao thuộc series RDS nâng cấp của hãng TPC (Hàn Quốc)
Dòng van điện từ RDS3000 của TPC (5/2 way Pilot-type Solenoid Valve) là dòng van điện từ 5 cổng rất phổ biến và thông dụng nhất tại Việt Nam hiện nay
Dòng van điện từ DS6240 của TPC (Double Solenoid – 5/2 Way) thuộc Series DS6000 – dòng van khí nén cỡ lớn, lưu lượng cao nhất của TPC
Dòng van điện từ DS6000 của TPC (Elastic Seal 5-Port Pilot Solenoid Valve) là dòng van khí nén cỡ lớn, lưu lượng cao thuộc series DS của hãng TPC (Hàn Quốc)